私達に電子メールを送り
製品
送信機 空電リレー
  • 送信機 空電リレー送信機 空電リレー
  • 送信機 空電リレー送信機 空電リレー
  • 送信機 空電リレー送信機 空電リレー
  • 送信機 空電リレー送信機 空電リレー

送信機 空電リレー

Model:VR320 series
専門メーカーとして、OLK は VR320 シリーズ トランスミッター空電リレーを提供したいと考えています。 Ouleikai (OLK) は最高のアフターサービスとタイムリーな納期を提供します。

OLK 伝送器 空電リレー SMC TYPE VR3200 シリーズは、空気圧信号を電気信号に変換する圧力スイッチです。マイクロスイッチ、スプリング、ピストン、ボディ、カバーの5つの主要部品で構成されています。使用圧力は 0.1 ~ 1.0 MPa VR3200 空圧と電気の精密なねじインターフェースにより、簡単には剥がれません。両端にはダストプラグが装備されており、特別な保護カバーを使用することで耐久性が向上し、耐用年数が長くなります。


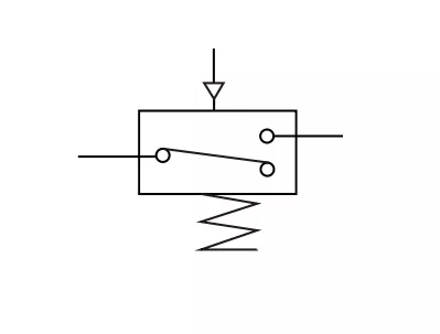
シンボル:

圧力スイッチの用途:  

1.シリンダ圧力検出:空気圧スイッチによりシリンダ内の圧力を検出します。  

2. ロボットアームの真空確認:自動コンベア上のロボットアームの吸盤付近でスイッチにより吸着を確認します。  

3. ガス漏れ検出: スイッチは低圧センサーを使用してガスの小さな変化を検出し、漏れを測定します。  

4.供給圧力管理:空気圧システムのレギュレーターに圧力スイッチを接続することで、表示された圧力値に基づいて供給圧力を設定できます。運転中、供給圧力の異常を表示値で示します。たとえば、洗浄生産ラインでは、複数の流体圧力スイッチが水や油などの供給を監視します。油圧シリンダーでは、圧力スイッチがハンマーの力を確認します。 

5.位置検出:デジタル圧力スイッチによりノズル背圧を検出し、ワークの位置を確認します。  

6. エアフロー制御  

7. フィルターの目詰まり監視: 差圧センサーがフィルターの両側の圧力差を測定します。差が大きいほど詰まりが多いことを示します。目詰まり状況に応じてフィルターの掃除や交換が可能です。  

8. 液面検知:下部エアポートを密閉することで差圧センサーが液面を検知します。液面の変化に応じて、接続された垂直配管内の正味圧力が変化し、液面検出が可能になります。


注文コード

 

 

 

VR320

0

_

01

モデル

工事

 

接続口径

VR320シリーズ 発信器:空電リレー

0:オープンタイプ

 

01:RC1/8

 

1:防滴(IP44)

 

N01:NPT18

 

 

 

F01:G1/8

SMCタイプ VR320シリーズ 伝送器:空電リレー 一般パラメータ

モデル

VR3200-01

VR3201-01

工事

_

密閉ソケット

接続口径

G1/8

使用圧力

0.1~1.0MPa(14~142psi)

接触

1ab

マイクロスイッチの定格電力

AC電源

直流電源

抵抗負荷

250V 15A

30V 6A

誘導負荷

250V 15A

 

ランプ負荷

250V

30V

ノースカロライナ州2.5A

ノースカロライナ州3A

いいえ。 1.25A

NO.1.5A

よくある質問VR32用電空コンバータ:


1.VR32 電空リレーは SMC の VR3200 または VR3201 と直接置き換えることができますか?

はい。 OLK の VR32 シリーズは、取り付け寸法、ポート サイズ (1/8 インチ)、および電気的性能の点で SMC VR3200/3201 シリーズと完全な互換性があります。より競争力のある価格で 100% ドロップイン交換品です。費用対効果の高い VR3200 の代替品です。


2.VR32コンバータと圧力スイッチの違いは何ですか?

VR32 は、空気圧信号を電気接点信号に変換するように設計されたメカニカル空気圧電気リレーです。シンプルで耐久性があり、主に「エアON/OFF」状態の検出やストローク確認に使用されます。一方、圧力スイッチは、多くの場合、特定の圧力値を監視するためのデジタル ディスプレイと正確な調整スケールを備えています。


3.VR32 空電コンバータの一般的なアプリケーション シナリオは何ですか?  

シリンダー位置検知リレー:

シリンダストローク限界検出:シリンダが限界に達すると圧力が上昇し、VR32 は PLC に信号を送信し、機械に次のステップに進むよう促します。  

安全インターロック:空気圧が基準に達し、回路が接続された場合にのみ機械が起動します。








ホットタグ: VR32電空コンバータ、空圧-電気リレー、VR3200代替品、VR3201代替品、機械式圧力スイッチ、シリンダストローク確認、空圧信号変換器、中国ニューマチックメーカー、空電リレー、1/8ポート圧力スイッチ、OULEIKAI空圧
お問い合わせを送信
連絡先情報
私たちのウェブサイトへようこそ!当社の製品や価格表に関するお問い合わせは、電子メールに残してください。24 時間以内にご連絡いたします。
Eメール
cici@olkptc.com
電話
86-0577 57178620
モバイル
+86-13736765213
住所
中国浙江省温州市楽清市六市新光工業区正台路。
X
当社は Cookie を使用して、より良いブラウジング体験を提供し、サイトのトラフィックを分析し、コンテンツをパーソナライズします。このサイトを使用すると、Cookie の使用に同意したことになります。 プライバシーポリシー
拒否する 受け入れる